Door Locks / Hinges / Handles
Jump to navigation
Jump to search
Locks & Keys
See Door Locks for more information.
Seals
Cabin Door Seals
- Many builders decide to put the door seals on the fuselage side instead of onto the inside of the door.
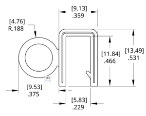
Two McMaster order numbers are being used: 1120A311 (lip on inside, 3/16 edge thickness, 3/8 high):


1120A311
and 1120A313 (lip on outside, 3/16 edge thickness, 3/8 high). Since you are building up the inside edge, the lip is better to be on the inside as the groove for it will automatically form when using a throwaway seal as mold.
Some builders prefer the 1120A411 variant which is for 1/4 edge thick edges.
Builders usually sacrifice one set of seals as mold to form out the edges, then replace it with a clean second set. This procedure will need 100 ft total.
Some builders experience a gap where the ends meet after some time, see this FB thread.
See also:- FB thread
- Mark's builder log
- VAF thread
- VAF thread
- Glen's builder log
- Justin Twilbeck's log
- BuildFlyGo's video
- Ivan Kristensen's video with door trim measurements
- Ivan Kristensen's door seal photos (now on smugmug, no longer on ivankristensen.phanfare.com). The sparse text for photos is available on the web archive.
- Les Kearney's door seal compilation pdf (originally posted to the Matronics mailing list)
- FB thread
- Some builders use the standard Vans way of putting the seals on the doors but use better seals sold by McMaster.
- See VAF thread
Luggage Door Seals
- Aircraft Door Seals

- See also this VAF Thread
Door Strut Upgrades
- Upgraded strut brackets (especially useful if you use McMaster door seals)
- Heavy Duty Door Strut from Vans (600 instead of 500N)
- Bansbach easylift door strut A1A1F50-100-287 part#10017Y1 (600N instead of 500N, call to order)
- Ordering 650N at Bansbach: Select the 650N version of B0N0F50-100-247/XXXN, add 2 of those, then add 4 of the end fittings A1 M8 Aluminum Hinge Eye Endfitting. These end fittings yield a total length of the 287mm similar to the other fully assembled struts. First timers can try coupon code 15PERCENTOFF.
- Tim Olson's build page on struts
- Door strut hardware (FB 3/22/2022)
- See also this FB thread.
Hinges
- Machined hinge capture plates make removing and re-installing the doors much easier
- Airward hinge reinforcement kit, see this [FB thread 1/2024
Other Enhanced Door Parts / Kits / Upgrades
- Aerosport Products
- Planearound, see also this FB thread
180 Degree Door Latch and Low Profile Handle Hints
- The Aerosport door handle kit assumes a bonded wall thickness of approximately 0.160 inches. It does not include a mechanism to accommodate deviations from this thickness.
If the door mechanism holes are drilled prior to bonding, and clecos are used during curing, the door halves may compress tightly in the lock area. This can result in a final wall thickness of only about 0.112 inches—leaving a 0.050-inch discrepancy. This difference will cause the outer lock cover to sit proud and not flush with the surface.
Conversely, if your wall thickness exceeds 0.160 inches, the lock cylinder will sit recessed within the outer cover.
For doors with thinner walls, a workaround is to fabricate a spacer to mount beneath the strike plate. This spacer should have holes that match the diameter of those in the door skin. For doors with thicker walls, consider designing a 3D-printed collar around the lock cylinder that will raise it to be flush with the cover.
See also this FB Post
- PlaneAround 180 degree latch together with Aerosport interior door handle beauty cover causing binding (FB 10/11/2022)
- PlaneAround FB thread
- Low profile handle + 180 degree FB thread 6/2023, FB thread 9/2023 FB thread 11/2023
- Documentation set at Planearound, includes link to document written by David Peterson which is a revised Vans chapter 45 document with the various modifications compiled in
- Damazio's write-up of the 180 degree door latch install
- Videos